BORGES 百格仕油品
  • 0
  • 會員登入
    CLOSE
  • 關於我們
    • 回上一頁
    • 關於滿寧企業
    • 關於百格仕
    • 關於千年味人
    • 碳足跡認證(Carbon Footprint)
  • 最新消息
  • 產品介紹
    • 回上一頁
    • 原味橄欖油(EXTRA VIRGIN)
    • 中味橄欖油(100% PURE)
    • 淡味橄欖油(EXTRA LIGHT)
    • 葡萄籽油
    • 葵花油
    • 巴薩米克醋
    • 果汁, 果醋
    • 紫蘇油, 南瓜籽油
    • 椰子油, MCT油, 防彈粉
  • 好油資訊分享
    • 回上一頁
    • 常見問題
    • 檢驗報告
    • 參考食譜
    • 友站連結
    • 文章分享
  • 聯絡我們
  • 訂單速查
  • 會員登入
  • Copyright © 2017 MIRACLE
購物清單 0
前往結帳

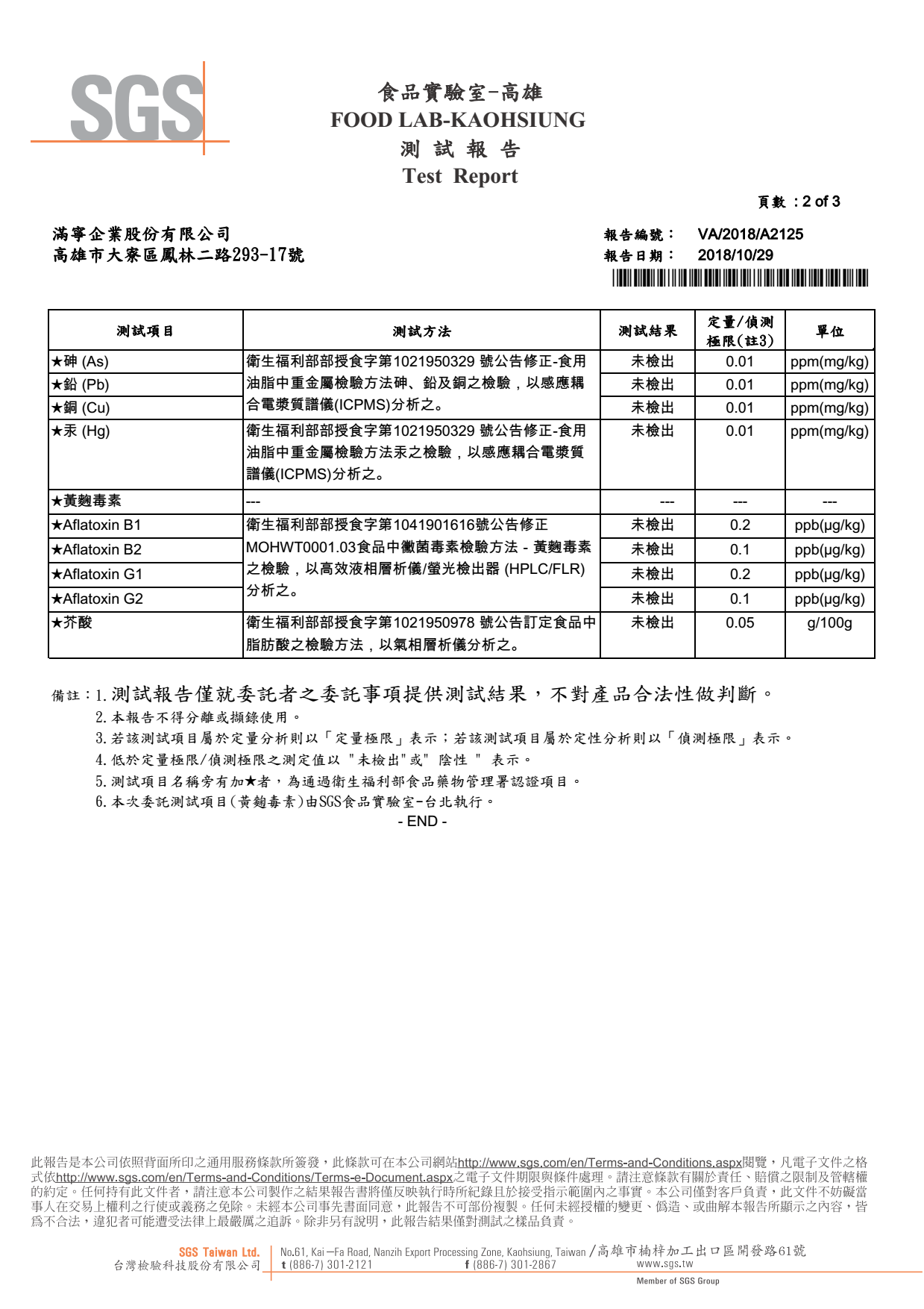
【SGS檢驗報告】韓國千年味人初榨冷壓南瓜籽油,經SGS檢驗合格

  • 首頁
  • 好油資訊分享
  • 檢驗報告
好油資訊分享
韓國千年味人初榨冷壓南瓜籽油,經SGS檢驗合格,讓您吃得安心!
韓國千年味人初榨冷壓南瓜籽油,經SGS檢驗合格韓國千年味人初榨冷壓南瓜籽油,經SGS檢驗合格韓國千年味人初榨冷壓南瓜籽油,經SGS檢驗合格

初榨冷壓南瓜籽油推薦:韓國千年味人初榨冷壓南瓜籽油

滿寧企業的理念,在於提供國人最健康的食用油品,讓國人吃得健康!煮得安心!基於保護消費者健康的理念,滿寧企業對產品品質一向嚴格把關,品質真的值得信賴與使用,獻給國人最好的食用油。


韓國千年味人初榨冷壓南瓜籽油|南瓜籽油推薦|韓國南瓜籽油|韓國南瓜籽油推薦|冷壓南瓜籽油推薦-滿寧企業股份有限公司值得您信賴
 
GO
Design by IG Design